VC30
La scelta numero 1 per precisione e manovrabilitĆ .
Il VC30 ĆØ il sistema di controllo imbarcazione di terza generazione di YANMAR, progettato per gestire tutti i motori YANMAR a gestione elettronica. Con un design moderno e funzionalitĆ avanzate, il VC30 offre unāesperienza utente migliorata, garantendo agli operatori maggiore sicurezza, precisione e facilitĆ al timone. Assicura un controllo più intelligente, unāinstallazione più rapida e una migliore esperienza di navigazione.
Dotato di un nuovo display TFT da 4,3ā otticamente laminato con connettivitĆ NMEA2000, di un joystick basato su CAN con pulsanti di controllo aggiuntivi e di ECU consolidate, il VC30 offre unāesperienza utente di alta qualitĆ e prestazioni pronte per il futuro. Il sistema supporta unāintegrazione senza soluzione di continuitĆ con lāintera gamma di motori common rail, trasmissioni, comandi e display YANMAR.
Il VC30 è basato su un sistema CAN bus J1939 con componenti semplificati, garantendo affidabilità e facilità di installazione. Grazie alle connessioni NMEA integrate, il VC30 può collegarsi facilmente a molteplici accessori o sistemi di bordo.
Specifiche
Il VC30 presenta un nuovo design con un numero ridotto di componenti, rendendo l’installazione più rapida ed efficiente per i costruttori di imbarcazioni e i rivenditori. Il VC30 include un display TFT a colori da 4,3″ con incollaggio ottico per una migliore visibilitĆ , un joystick basato su CAN con pulsanti di comando integrati per un utilizzo intuitivo e tutto il cablaggio necessario. Grazie alla connettivitĆ integrata, il VC30 si collega facilmente all’elettronica di bordo e ai display, rendendo semplice l’integrazione dei dati del motore e dei sistemi.
Caratteristiche principali del sistema di controllo imbarcazioni VC30:
- ECU integrate che riducono la complessitĆ dei componenti e del cablaggio
- Resistenza all’acqua migliorata (IPX7 davanti e dietro)
- Intervallo di temperatura esteso (da -30 °C a 80 °C)
- ConnettivitĆ MFD basata su Ethernet
- Nuovo joystick con funzioni di propulsione e mantenimento della posizione
- Configurazione automatica e rilevamento del tipo di motore
- FunzionalitĆ pronte per il futuro come il joystick remoto wireless e la connettivitĆ con dispositivi smart
- Nuovo display con luminosità di 1000 cd/m² per una visibilità ottimale alla luce diretta del sole. Include anche una modalità notturna con interfaccia di colore rosso e regolazione della luminosità per ambienti con scarsa illuminazione.
Progettato e sviluppato dal team interno di YANMAR per soddisfare gli elevati standard di qualitĆ dell’azienda. Il VC30 controlla tutte le funzioni del motore e della trasmissione YANMAR e visualizza sul display gli allarmi del motore e i codici diagnostici.
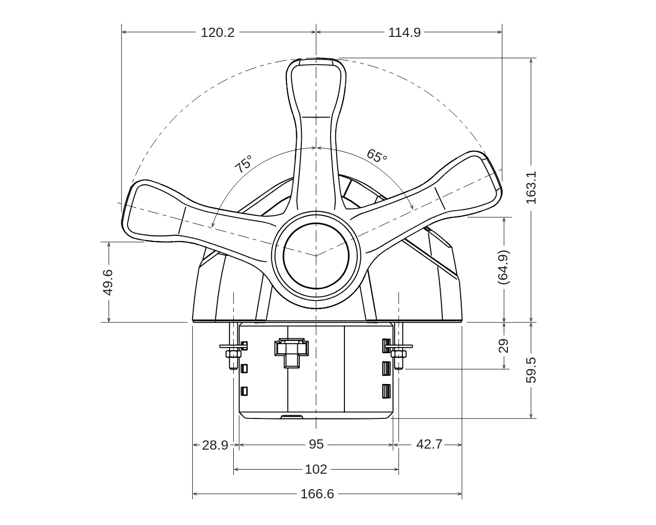
Disegni tecnici






Documenti
Hai bisogno di maggiori informazioni su questo prodotto?
Compila il form e il nostro team ti ricontatterà al più presto.

Scopri la nostra rete di dealer in Italia
Trova il dealer YANMAR più vicino e affidati a professionisti qualificati per supporto, assistenza e consulenza.