VC20
Il VC20 ĆØ il sistema di controllo imbarcazione di seconda generazione di YANMAR, progettato per gestire tutti i motori YANMAR a gestione elettronica. Caratterizzato da una gestione elettrica semplificata, unāestetica di alta qualitĆ e significativi miglioramenti funzionali, il sistema di controllo imbarcazione YANMAR VC20 di nuova generazione si integra con lāintera gamma YANMAR di motori common rail, trasmissioni, comandi e display.
Il VC20 è un sistema CAN bus basato su protocollo J1939, con una rete dedicata per ciascun motore, ed è fornito di serie con un pannello di emergenza di backup, per garantire la massima affidabilità . Grazie alle connessioni NMEA integrate, il VC20 può collegarsi facilmente a molteplici accessori o sistemi di bordo.
Il sistema ĆØ stato completamente sviluppato da YANMAR per soddisfare gli elevati standard aziendali in termini di qualitĆ e affidabilitĆ . Il VC20 controlla tutte le funzioni del motore e della trasmissione YANMAR e visualizza sul display gli allarmi motore e i codici diagnostici.
Specifiche
Il VC20 presenta una nuova architettura elettrica semplificata. Il sistema ĆØ facile da installare e include comandi, display digitali a colori completi, uscite per strumenti NMEA2000 o J1939, oltre a tutti i cavi e cablaggi necessari. Questo approccio utilizza meno componenti e cablaggi, rendendo lāinstallazione più semplice e veloce per cantieri e rivenditori.
Oltre ai miglioramenti funzionali rispetto allāattuale VC10 Vessel Control System, il nuovo VC20 introduce anche nuovi pannelli comandi e interruttori dal design rinnovato. Il designer interno di YANMAR, Ken Okuyama, ha aggiornato significativamente il design delle apparecchiature di controllo YANMAR, conferendo un aspetto e una sensazione di qualitĆ superiore.
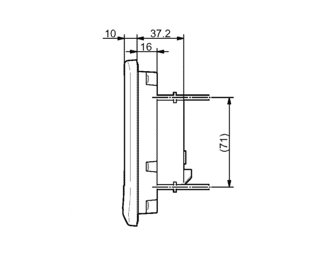
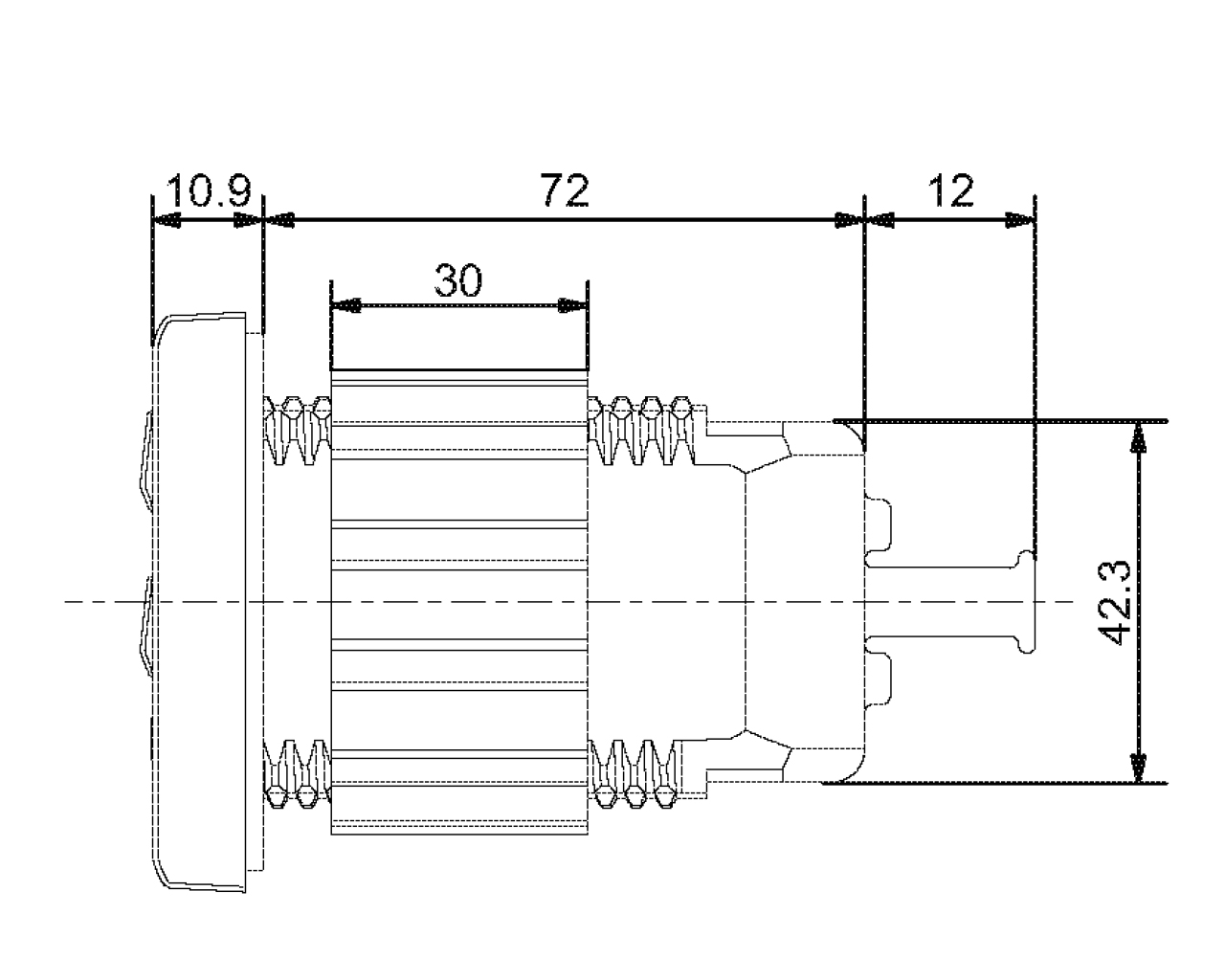
Disegni tecnici






Documenti
Hai bisogno di maggiori informazioni su questo prodotto?
Compila il form e il nostro team ti ricontatterà al più presto.

Scopri la nostra rete di dealer in Italia
Trova il dealer YANMAR più vicino e affidati a professionisti qualificati per supporto, assistenza e consulenza.