SD60
Specifiche
Lo SD60 ĆØ un sail drive progettato e sviluppato da YANMAR, ingegnerizzato su misura per i motori 3JH5E, 3JH40, 4JH5E, 4JH45, 4JH4-TE, 4JH57 e 4JH80. Lo SD60 ĆØ disponibile con due misure di campana di accoppiamento per adattarsi a unāampia gamma di motori. Il design proprietario si collega perfettamente agli alloggiamenti marini dedicati di dimensioni compatte dei motori YANMAR. Questa connessione diretta non solo contribuisce alla compattezza del sistema di propulsione, ma riduce anche la necessitĆ di adattatori o giunti, diminuendo la massa rotante e quindi le vibrazioni.
Questo sistema di propulsione progettato specificamente e complementare massimizza le giĆ efficienti prestazioni del sail drive.
Inoltre, lo SD60 ĆØ progettato per una facile manutenzione, con la possibilitĆ di sostituire lāolio senza dover alare lāimbarcazione.
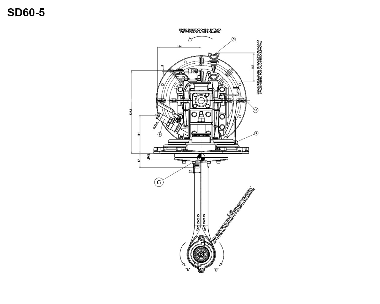
Disegni tecnici








Documenti
Hai bisogno di maggiori informazioni su questo prodotto?
Compila il form e il nostro team ti ricontatterà al più presto.

Scopri la nostra rete di dealer in Italia
Trova il dealer YANMAR più vicino e affidati a professionisti qualificati per supporto, assistenza e consulenza.